公司名称: 长沙小番茄科技有限公司
CAD迷你编辑器电脑版是一款全新推出的、小巧轻快且简洁易用的CAD画图与图纸管理工具,CAD迷你编辑器2026最新版专为需要快速浏览、查看和进行简易编辑CAD图纸的用户设计,支持不同CAD版本的图纸文件打开与转换,可将高版本图纸转换为低版本,解决跨版本查看、编辑的兼容问题。
CAD迷你编辑器软件提供便捷打印输出,适配各类打印机,支持图纸比例调整、局部打印、批量打印,打印预览可精准还原图纸效果,满足工程出图需求。
软件亮点
简易绘图编辑能力,兼具基础 CAD 画图功能,支持简单的图形绘制、修改与编辑,满足快速出图、图纸微调的轻量设计需求。
界面简洁易上手,功能模块分类清晰,操作逻辑贴合 CAD 使用习惯,无复杂专业操作门槛,新手也能快速掌握,办公族、工程人员均可轻松使用。
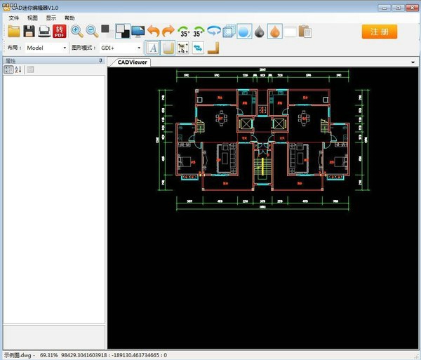
高清图纸展示,图纸缩放无失真、细节显示清晰,可精准查看工程图纸的尺寸、线条与标注,满足专业审图的精度要求。
灵活批注标注,支持多种批注样式与文字标注,可直接在图纸上添加修改意见、重点标记,审图沟通更直观,无需额外搭配批注工具。











安全下载

